Элементы бетонных колодцев плиты перекрытия колодцев ПКБ8 представляют собой сборные железобетонные конструкции, состоящие из различных жб элементов и предназначены для устройства инженерных и водоотводных коммуникаций, различных коммуникационных сетей и канализационных септиков. Бетонные колодцы универсальны для сооружений горловин и стволов сборных колодцев, которые стыкуются путем сварки скоб.
Популярны колодцы железобетонные в частной застройке и на участках, где из них устраиваются системы водоснабжения, питьевые колодцы и небольшие канализации. Дорожное строительство также активно использует данный тип жб изделий. Бетонное кольцо вместе с крышкой колодца и днищем, соответствующего общему для всех элементов диаметру колодца, составляют полноценную конструкцию. К элементам колодцев плиты перекрытия колодцев ПКБ8 предъявляются строгие требования качества, прописанные в ГОСТ 8020-90.
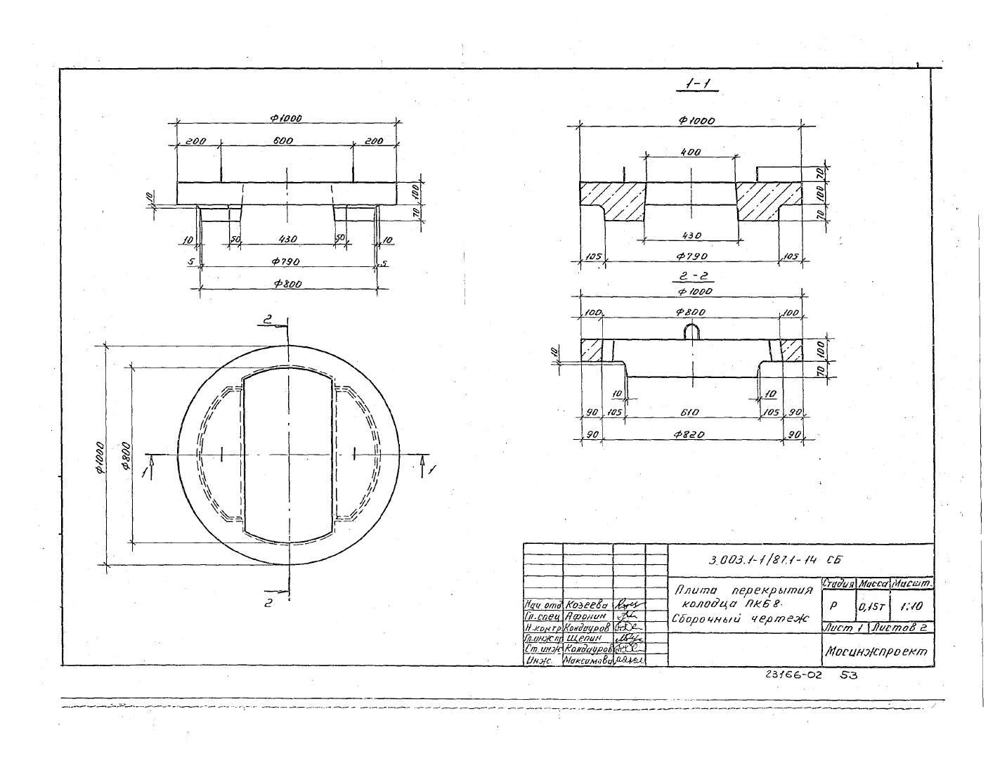
Конструкция элементов колодцев плиты перекрытия колодцев ПКБ8 достаточно проста и представляет собой каркас из металлической арматуры толщиной 6-10 мм, покрытый бетоном и имеющем требуемую форму. Процесс производства, в основном, происходит методом вибропрессования. Стальной арматурный каркас покрывают слоем из тяжелого бетона и подвергают вибрации, которая и придает бетону требуемую плотность. В итоге получаются прочные элементы для железобетонных колодцев высокого качества толщиной 60-140 мм. При производстве элементов железобетонных колодцев используется тяжелый бетон марок от М200 до М500, гарантирующий запас прочности и трещиностойкости.
Нашей компанией производится монтаж и установка плиты перекрытия колодцев ПКБ8. По вопросам монтажа колодцев железобетонных и элементов колодцев обращаться по телефону (812) 336-87-96.
Основными требованиями, предъявляемыми к бетону для колодцев являются прочность, плотность и водонепроницаемость (W4), так как бетонные колодцы заглубляют ниже уровня грунтовых вод. Элементы плиты перекрытия колодцев ПКБ8 имеют низкое водопоглощение и могут долгое время взаимодействовать с жидкостями. Для применения данных элементов в агрессивных грунтах в производстве используют специальные сульфатостойкие или другие цементы, хорошо переносящие реактивные или химические среды.
Поскольку колодцы находятся глубоко в грунте и не испытывают резких перепадов температур, требования к морозостойкости элементов железобетонных колодцев плиты перекрытия колодцев ПКБ8 рассчитываются индивидуально и зависят от климатических условий места монтажа.
Предназначенные выдерживать нагрузки от крышки и друг друга, элементы колодцев плиты перекрытия колодцев ПКБ8 армируются каркасами из упрочненной стали классов Ат-IIIС и Ат-IVС и А-I, А-II и А-III. Металлические детали, особенно наружные, проходят предварительную обработку антикоррозийными составами.
В компании БЛОК можно заказать как колодцы, так и элементы колодцев плиты перекрытия колодцев ПКБ8, а так же проконсультироваться с нашими специалистами, подобрать требуемые бетонные колодцы. Купить изделия и проконсультироваться по общим вопросам покупки и доставки Вы можете позвонив по телефонам компании ГК БЛОК: Санкт-Петербург: (812) 309-22-09, Москва: (495) 646-38-32, Краснодар: (861) 279-36-00. Режим работы компании: Пн-Пт с 9-00 до 18-00. Компанией БЛОК осуществляется доставка ЖБИ по всей России прямо до объекта заказчика или на строительную площадку, если позволяет инфраструктура. В нашем отделе продаж можно узнать заранее уточнить цену из группы “колодцы железобетонные” и рассчитать общую стоимость заказа.
Монтаж элементов колодцев железобетонных
Выбор размера элемента осуществляют в зависимости от того, какое предназначение сооружаемого железобетонного колодца. Диаметр элементов колодцев плиты перекрытия колодцев ПКБ8 должен соответствовать диаметру рабочей камеры. Канализационные колодцы и кольца шире водопроводных и газопроводных. А если колодцы будут использоваться для внутриквартальных сетей, то стоит учитывать, что такие трубопроводы намного уже.
Колодцы из бетонных элементов плиты перекрытия колодцев ПКБ8 монтируются намного легче и быстрее, чем других типов. Чтобы при монтаже они не сошли с места, изделия скрепляют между собой в четырех или шести местах стальными скобами.
Для удобства пользования в элементах колодцев предусматривают место для установки шибера, металлической лестницы или подвесных скоб. Скобы устанавливают в отверстия, а подвесные закладывают в местах стыкования. Дорожное строительство применят установку изделий плиты перекрытия колодцев ПКБ8 на цементный раствор стандартного состава 1:2. Стыки элементов со всех сторон затирают этим составом и железнят. Но даже это не исключает гидроизоляцию колодцев после установки.
Показатели приемо-сдаточных испытаний элементов бетонных колодцев плиты перекрытия колодцев ПКБ8
- Класс бетона по прочности и отпускной прочности бетона
- Соответствие арматурных и закладных изделий;
- Прочность сварных соединений;
- Толщина защитного слоя бетона до арматуры;
- Точность геометрических параметров;
- Качество бетонной поверхности.
Технический паспорт, сопровождающий партию элементов бетонных колодцев плиты перекрытия колодцев ПКБ8, должен содержать информацию о дате изготовления партии, о количестве изделий, о результатах испытаний на прочность, сведения о марке бетона, прочности на сжатие, класс бетона по морозостойкости и водонепроницаемости.
Контроль качества элементов колодцев плиты перекрытия колодцев ПКБ8 железобетонных
Как и в иных изделиях ЖБИ, трещин в изделиях плиты перекрытия колодцев ПКБ8 быть не должно. Возможны лишь едва заметные глазу, так называемые, усадочные трещины шириной не более одной десятой миллиметра. Возможны незначительные отклонения геометрических параметров колец не более ±5 мм по толщине, ±6 мм по диаметру жб изделия. Поверхности изделия не должны иметь большого количества раковин диаметром более 15 мм и глубиной больше 5 мм. Готовые колодцы железобетонные не должны скрывать монтажные петли элементов за наплывами бетона, так как это может затруднить монтаж парапетных плит.
Хранение и транспортировка элементов бетонных колодцев
Элементы бетонных колодцев плиты перекрытия колодцев ПКБ8 должны храниться штабелями в рабочем положении, лицевой стороной вверх. Один штабель не должен состоять из более чем 3-5 рядов, во избежание падения и деформации жб изделий. Для доставки изделия укладывают штабелем не выше 2, 5 метров и надежно закрепляют. При транспортировке и хранении между элементами должны лежать прокладки толщиной не менее 40 мм.
|
ГОСТ/Серия
|
Серия 3.003.1-1/87 |
|
Длина, мм
|
1000 |
|
Ширина, мм
|
1000 |
|
Высота, мм
|
170 |
|
Масса, тонн
|
0.15 |
|
Объем бетона, куб.м
|
0.06 |
|
Класс бетона
|
В15 |
|
Геометрический объем, м.куб
|
0.17 |
|
Сталь, кг
|
8.63 |
|
Закладная 1
|
Сетка С17 |
|
Закладная 2
|
Сетка С18 |
|
Закладная 3
|
Петля П6 |
|
Закладная 4
|
1 |
Как купить
Процесс покупки железобетонных изделий у нас прост и удобен. Следуйте этим шагам:
- Выбор продукции: Ознакомьтесь с нашим ассортиментом и выберите необходимые железобетонные изделия.
- Консультация: Свяжитесь с нашим менеджером для получения консультации по выбору продукции и уточнения всех деталей. Вы можете позвонить нам или написать на электронную почту.
- Оформление заказа: После согласования всех деталей оформите заказ. Менеджер поможет вам заполнить все необходимые документы.
- Согласование доставки: После оформления заказа наш менеджер свяжется с вами для согласования условий и сроков доставки.
- Оплата: Выберите удобный способ оплаты. Мы предлагаем несколько вариантов, включая безналичный расчет.
- Получение товара: После выполнения всех условий заказа, вы получите железобетонные изделия в назначенное время и по согласованному адресу. При получении подпишите акт приема-передачи.
Если у вас возникли вопросы на любом этапе покупки, не стесняйтесь обращаться к нашим менеджерам!
Оплата
Мы принимаем только безналичные платежи и работаем исключительно с юридическими лицами. Пожалуйста, ознакомьтесь с условиями оплаты ниже:
- Способ оплаты: Все расчеты производятся безналичным путем. Мы не принимаем наличные.
- Счет на оплату: После оформления заказа вам будет выставлен счет, который необходимо оплатить в срок, указанный в документе.
- Реквизиты: Все необходимые банковские реквизиты будут предоставлены в счете. Убедитесь, что все данные указаны правильно для успешного перевода.
- Подтверждение оплаты: После осуществления платежа отправьте нам подтверждение, чтобы мы могли оперативно обработать ваш заказ.
- Получение документов: После полной оплаты вы получите все необходимые документы, включая акт выполненных работ, товарные накладные и сертификаты на продукцию.
Мы работаем с НДС и предоставляем все необходимые сертификаты и документы. Все гарантии будут прописаны в договоре, что обеспечивает прозрачность и надежность сотрудничества.
Если у вас есть вопросы по поводу процесса оплаты, не стесняйтесь обращаться к нашим менеджерам за помощью!
Наша оперативность — ваше удобство. Мы гарантируем своевременную доставку железобетонных изделий, что является ключевым фактором для успешной реализации ваших строительных проектов. Доставка осуществляется прямо к вашему объекту с учетом всех стандартов качества.
Основные условия доставки:
• Выбор тарифа: Вы можете выбрать способ расчета стоимости доставки — почасовой или по зонам.
• Согласование: Менеджер свяжется с вами для уточнения деталей после оформления заказа.
• Время на погрузку: Комплектация товара занимает от 1 до 3 дней в зависимости от объема.
• Акт приема-передачи: Продукция передается по акту приема-передачи.
Тарифы на доставку:
Цены варьируются в зависимости от расстояния и региона. Все тарифы включают НДС. При неблагоприятных погодных условиях возможны небольшие изменения в стоимости.
География доставки:
Мы работаем по всей территории РФ и имеем 12 офисов и производств, чтобы обеспечить удобные условия для доставки.
Для точного расчета стоимости доставки обращайтесь к нашим менеджерам!

