Размер шрифта
Цвет фона и шрифта
Изображения
Озвучивание текста
Обычная версия сайта
Завод железобетонных изделий
ГК "БЛОК" - Производство и поставка железобетонных изделий в Санкт-Петербурге!

+7 (812) 309-22-09
+7 (812) 309-22-09
Заказать звонок
E-mail
info@block-gbi.ru
Адрес
Лиговский пр., д. 50, кор. 11.
Режим работы
Будни - с 9 до 18 Сб, ВС - выходные
Подать заявку
Главная
Каталог
  • ЖБИ для дорожного строительства
    • Блоки укреплений
    • Водопропускные трубы
    • Камни бортовые
    • Колодцы железобетонные
    • Лотки железобетонные
    • Плиты дорожные
  • ЖБИ для железнодорожного строительства
    • Лотки дренажные
    • Фундаменты трехлучевые
    • Шпалы железобетонные
  • ЖБИ для жилищного строительства
    • Вентиляционные блоки
    • Заборы железобетонные
    • Лестницы железобетонные
    • Перемычки
    • Плиты перекрытий
    • Шахты лифтов
  • ЖБИ для инженерного строительства
    • Камеры тепловые
    • Камеры футерованные
    • Каналы непроходные
    • Каналы сборные
    • Колодцы кабельные
    • Колодцы футерованные
    • Лотки лк
    • Трубы железобетонные
    • Щитовые опоры
  • ЖБИ для мостов, тоннелей и путепроводов
    • Балки мостовые
    • Коллекторы железобетонные
    • Контурные блоки
    • Пустотные плиты
    • Своды железобетонные
    • Тоннели сборные
    • Фермы железобетонные
  • ЖБИ для нефтегазового строительства
    • Сваи железобетонные
    • Столбики сигнальные
    • Утяжелители
  • ЖБИ для промышленного строительства
    • Бомбоубежища
    • Диафрагмы жесткости
    • Прогоны железобетонные
    • Ригели железобетонные
    • Столбы шпалерные (садовые)
    • Фундаментные блоки
  • ЖБИ для энергетического строительства
    • Анкерные плиты
    • Опоры лэп
    • Подстанции
    • Приставки железобетонные
    • Ригели опор
    • Фундаменты опор
  • Нетиповые ЖБИ
    • Волнорезы
    • Плиты тротуарные
Доставка
Оплата
Компания
  • О компании
  • История
  • ГОСТы
  • Сертификаты
  • Заказчики
  • Сотрудники
  • Вакансии
  • Реквизиты
  • Доставка В ЛНР и ДНР
  • Цены на ЖБИ
Объекты
Контакты
Санкт-Петербург
Завод железобетонных изделий
ГК "БЛОК" - Производство и поставка железобетонных изделий в Санкт-Петербурге!

Санкт-Петербург
+7 (812) 309-22-09
+7 (812) 309-22-09
Заказать звонок
E-mail
info@block-gbi.ru
Адрес
Лиговский пр., д. 50, кор. 11.
Режим работы
Будни - с 9 до 18 Сб, ВС - выходные
Заказать звонок
Подать заявку
Главная
Каталог
  • ЖБИ для дорожного строительства
    ЖБИ для дорожного строительства
    • Блоки укреплений      
      • Серии блоков
      • Типы блоков
    • Водопропускные трубы      
      • Серия изготовления
      • Тип звеньев
    • Камни бортовые      
      • Типы бортовых камней
    • Колодцы железобетонные      
      • Диаметры
      • Элементы
    • Лотки железобетонные      
      • ГОСТы и Серии
      • Типы лотков ЖБИ
    • Плиты дорожные      
      • ГОСТы и Серии дорожных плит
      • Типы дорожных плит
  • ЖБИ для железнодорожного строительства
    ЖБИ для железнодорожного строительства
    • Лотки дренажные      
      • Типы дренажных лотков
    • Фундаменты трехлучевые      
      • Серии фундаментов
      • Типы фундаментов
    • Шпалы железобетонные
  • ЖБИ для жилищного строительства
    ЖБИ для жилищного строительства
    • Вентиляционные блоки      
      • ГОСТы вентиляционных блоков
      • Типы вентблоков
    • Заборы железобетонные      
      • Вид забора ЖБИ
      • ГОСТы и Серии ЖБ заборов
    • Лестницы железобетонные      
      • ГОСТы и Серии ЖБ лестниц
      • Элементы лестниц
    • Перемычки
    • Плиты перекрытий      
      • ГОСТы и Серии плит перекрытий
      • Типы плит перекрытий
    • Шахты лифтов      
      • ГОСТы и Серии лифтовых шахт
      • Типы лифтовых шахт
  • ЖБИ для инженерного строительства
    ЖБИ для инженерного строительства
    • Камеры тепловые      
      • Серии тепловых камер
      • Тип элемента камер
    • Камеры футерованные      
      • Типы футерованных камер
    • Каналы непроходные
    • Каналы сборные      
      • Серии
      • Типы
    • Колодцы кабельные      
      • Типы колодцев ККС
    • Колодцы футерованные      
      • Типы футерованных колодцев
    • Лотки лк      
      • Типоразмеры лотков
    • Трубы железобетонные      
      • ГОСТы и Серии ЖБ труб
      • Типы
    • Щитовые опоры      
      • Серии
  • ЖБИ для мостов, тоннелей и путепроводов
    ЖБИ для мостов, тоннелей и путепроводов
    • Балки мостовые      
      • Серии мостовых балок
      • Элементы балок
    • Коллекторы железобетонные      
      • Серии ЖБ коллекторов
      • Типы ЖБ коллекторов
    • Контурные блоки
    • Пустотные плиты      
      • Серии пустотных плит
    • Своды железобетонные      
      • Серии железобетонных сводов
      • Типы конструкций
    • Тоннели сборные      
      • Серии сборных тоннелей
      • Типы сборных тоннелей
    • Фермы железобетонные      
      • Типоразмеры ферм
      • Типы железобетонных ферм
  • ЖБИ для нефтегазового строительства
    ЖБИ для нефтегазового строительства
    • Сваи железобетонные      
      • ГОСТы и Серии
      • Типы
    • Столбики сигнальные
    • Утяжелители      
      • Типы утяжелителей
  • ЖБИ для промышленного строительства
    ЖБИ для промышленного строительства
    • Бомбоубежища      
      • ГОСТы бомбоубежищ
      • Типы бомбоубежищ
    • Диафрагмы жесткости      
      • Серии диафрагм жесткости
      • Типы диафрагм
    • Прогоны железобетонные      
      • Серии ЖБ прогонов
      • Типы ЖБ прогонов
    • Ригели железобетонные      
      • ГОСТы и Серии для ЖБ ригелей
      • Типы железобетонных ригелей
    • Столбы шпалерные (садовые)
    • Фундаментные блоки      
      • ГОСТы и Серии фундаментных блоков
      • Типы фундаментных блоков
  • ЖБИ для энергетического строительства
    ЖБИ для энергетического строительства
    • Анкерные плиты
    • Опоры лэп      
      • Серии опор ЛЭП
      • Типы опор ЛЭП
    • Подстанции      
      • Серии подстанций
      • Элементы подстанций
    • Приставки железобетонные      
      • ГОСТы и Серии ЖБ приставок
    • Ригели опор
    • Фундаменты опор      
      • Серии фундаментов опор
  • Нетиповые ЖБИ
    Нетиповые ЖБИ
    • Волнорезы      
      • Типы волнорезов
    • Плиты тротуарные      
      • ГОСТы и Серии
Доставка
Оплата
Компания
  • О компании
  • История
  • ГОСТы
  • Сертификаты
  • Заказчики
  • Сотрудники
  • Вакансии
  • Реквизиты
  • Доставка В ЛНР и ДНР
  • Цены на ЖБИ
Объекты
Контакты
    Завод железобетонных изделий
    Главная
    Каталог
    • ЖБИ для дорожного строительства
      ЖБИ для дорожного строительства
      • Блоки укреплений      
        • Серии блоков
        • Типы блоков
      • Водопропускные трубы      
        • Серия изготовления
        • Тип звеньев
      • Камни бортовые      
        • Типы бортовых камней
      • Колодцы железобетонные      
        • Диаметры
        • Элементы
      • Лотки железобетонные      
        • ГОСТы и Серии
        • Типы лотков ЖБИ
      • Плиты дорожные      
        • ГОСТы и Серии дорожных плит
        • Типы дорожных плит
    • ЖБИ для железнодорожного строительства
      ЖБИ для железнодорожного строительства
      • Лотки дренажные      
        • Типы дренажных лотков
      • Фундаменты трехлучевые      
        • Серии фундаментов
        • Типы фундаментов
      • Шпалы железобетонные
    • ЖБИ для жилищного строительства
      ЖБИ для жилищного строительства
      • Вентиляционные блоки      
        • ГОСТы вентиляционных блоков
        • Типы вентблоков
      • Заборы железобетонные      
        • Вид забора ЖБИ
        • ГОСТы и Серии ЖБ заборов
      • Лестницы железобетонные      
        • ГОСТы и Серии ЖБ лестниц
        • Элементы лестниц
      • Перемычки
      • Плиты перекрытий      
        • ГОСТы и Серии плит перекрытий
        • Типы плит перекрытий
      • Шахты лифтов      
        • ГОСТы и Серии лифтовых шахт
        • Типы лифтовых шахт
    • ЖБИ для инженерного строительства
      ЖБИ для инженерного строительства
      • Камеры тепловые      
        • Серии тепловых камер
        • Тип элемента камер
      • Камеры футерованные      
        • Типы футерованных камер
      • Каналы непроходные
      • Каналы сборные      
        • Серии
        • Типы
      • Колодцы кабельные      
        • Типы колодцев ККС
      • Колодцы футерованные      
        • Типы футерованных колодцев
      • Лотки лк      
        • Типоразмеры лотков
      • Трубы железобетонные      
        • ГОСТы и Серии ЖБ труб
        • Типы
      • Щитовые опоры      
        • Серии
    • ЖБИ для мостов, тоннелей и путепроводов
      ЖБИ для мостов, тоннелей и путепроводов
      • Балки мостовые      
        • Серии мостовых балок
        • Элементы балок
      • Коллекторы железобетонные      
        • Серии ЖБ коллекторов
        • Типы ЖБ коллекторов
      • Контурные блоки
      • Пустотные плиты      
        • Серии пустотных плит
      • Своды железобетонные      
        • Серии железобетонных сводов
        • Типы конструкций
      • Тоннели сборные      
        • Серии сборных тоннелей
        • Типы сборных тоннелей
      • Фермы железобетонные      
        • Типоразмеры ферм
        • Типы железобетонных ферм
    • ЖБИ для нефтегазового строительства
      ЖБИ для нефтегазового строительства
      • Сваи железобетонные      
        • ГОСТы и Серии
        • Типы
      • Столбики сигнальные
      • Утяжелители      
        • Типы утяжелителей
    • ЖБИ для промышленного строительства
      ЖБИ для промышленного строительства
      • Бомбоубежища      
        • ГОСТы бомбоубежищ
        • Типы бомбоубежищ
      • Диафрагмы жесткости      
        • Серии диафрагм жесткости
        • Типы диафрагм
      • Прогоны железобетонные      
        • Серии ЖБ прогонов
        • Типы ЖБ прогонов
      • Ригели железобетонные      
        • ГОСТы и Серии для ЖБ ригелей
        • Типы железобетонных ригелей
      • Столбы шпалерные (садовые)
      • Фундаментные блоки      
        • ГОСТы и Серии фундаментных блоков
        • Типы фундаментных блоков
    • ЖБИ для энергетического строительства
      ЖБИ для энергетического строительства
      • Анкерные плиты
      • Опоры лэп      
        • Серии опор ЛЭП
        • Типы опор ЛЭП
      • Подстанции      
        • Серии подстанций
        • Элементы подстанций
      • Приставки железобетонные      
        • ГОСТы и Серии ЖБ приставок
      • Ригели опор
      • Фундаменты опор      
        • Серии фундаментов опор
    • Нетиповые ЖБИ
      Нетиповые ЖБИ
      • Волнорезы      
        • Типы волнорезов
      • Плиты тротуарные      
        • ГОСТы и Серии
    Доставка
    Оплата
    Компания
    • О компании
    • История
    • ГОСТы
    • Сертификаты
    • Заказчики
    • Сотрудники
    • Вакансии
    • Реквизиты
    • Доставка В ЛНР и ДНР
    • Цены на ЖБИ
    Объекты
    Контакты
      Санкт-Петербург
      +7 (812) 309-22-09
      Заказать звонок
      E-mail
      info@block-gbi.ru
      Адрес
      Лиговский пр., д. 50, кор. 11.
      Режим работы
      Будни - с 9 до 18 Сб, ВС - выходные
      Подать заявку
      Завод железобетонных изделий
      Телефоны
      +7 (812) 309-22-09
      Заказать звонок
      E-mail
      info@block-gbi.ru
      Адрес
      Лиговский пр., д. 50, кор. 11.
      Режим работы
      Будни - с 9 до 18 Сб, ВС - выходные
      Завод железобетонных изделий
      • Санкт-Петербург
        • Города
        • Благовещенск
        • Владивосток
        • Донецк
        • Екатеринбург
        • Иркутск
        • Калининград
        • Краснодар
        • Красноярск
        • Мариуполь
        • Москва
        • Новосибирск
        • Омск
        • Санкт-Петербург
        • Севастополь
        • Симферополь
        • Тюмень
        • Хабаровск
        • Чита
      • Кабинет
      • Главная
      • Каталог
        • Каталог
        • ЖБИ для дорожного строительства
          • ЖБИ для дорожного строительства
          • Блоки укреплений
            • Блоки укреплений
            • Серии блоков
            • Типы блоков
          • Водопропускные трубы
            • Водопропускные трубы
            • Серия изготовления
            • Тип звеньев
          • Камни бортовые
            • Камни бортовые
            • Типы бортовых камней
          • Колодцы железобетонные
            • Колодцы железобетонные
            • Диаметры
            • Элементы
          • Лотки железобетонные
            • Лотки железобетонные
            • ГОСТы и Серии
            • Типы лотков ЖБИ
          • Плиты дорожные
            • Плиты дорожные
            • ГОСТы и Серии дорожных плит
            • Типы дорожных плит
        • ЖБИ для железнодорожного строительства
          • ЖБИ для железнодорожного строительства
          • Лотки дренажные
            • Лотки дренажные
            • Типы дренажных лотков
          • Фундаменты трехлучевые
            • Фундаменты трехлучевые
            • Серии фундаментов
            • Типы фундаментов
          • Шпалы железобетонные
        • ЖБИ для жилищного строительства
          • ЖБИ для жилищного строительства
          • Вентиляционные блоки
            • Вентиляционные блоки
            • ГОСТы вентиляционных блоков
            • Типы вентблоков
          • Заборы железобетонные
            • Заборы железобетонные
            • Вид забора ЖБИ
            • ГОСТы и Серии ЖБ заборов
          • Лестницы железобетонные
            • Лестницы железобетонные
            • ГОСТы и Серии ЖБ лестниц
            • Элементы лестниц
          • Перемычки
          • Плиты перекрытий
            • Плиты перекрытий
            • ГОСТы и Серии плит перекрытий
            • Типы плит перекрытий
          • Шахты лифтов
            • Шахты лифтов
            • ГОСТы и Серии лифтовых шахт
            • Типы лифтовых шахт
        • ЖБИ для инженерного строительства
          • ЖБИ для инженерного строительства
          • Камеры тепловые
            • Камеры тепловые
            • Серии тепловых камер
            • Тип элемента камер
          • Камеры футерованные
            • Камеры футерованные
            • Типы футерованных камер
          • Каналы непроходные
          • Каналы сборные
            • Каналы сборные
            • Серии
            • Типы
          • Колодцы кабельные
            • Колодцы кабельные
            • Типы колодцев ККС
          • Колодцы футерованные
            • Колодцы футерованные
            • Типы футерованных колодцев
          • Лотки лк
            • Лотки лк
            • Типоразмеры лотков
          • Трубы железобетонные
            • Трубы железобетонные
            • ГОСТы и Серии ЖБ труб
            • Типы
          • Щитовые опоры
            • Щитовые опоры
            • Серии
        • ЖБИ для мостов, тоннелей и путепроводов
          • ЖБИ для мостов, тоннелей и путепроводов
          • Балки мостовые
            • Балки мостовые
            • Серии мостовых балок
            • Элементы балок
          • Коллекторы железобетонные
            • Коллекторы железобетонные
            • Серии ЖБ коллекторов
            • Типы ЖБ коллекторов
          • Контурные блоки
          • Пустотные плиты
            • Пустотные плиты
            • Серии пустотных плит
          • Своды железобетонные
            • Своды железобетонные
            • Серии железобетонных сводов
            • Типы конструкций
          • Тоннели сборные
            • Тоннели сборные
            • Серии сборных тоннелей
            • Типы сборных тоннелей
          • Фермы железобетонные
            • Фермы железобетонные
            • Типоразмеры ферм
            • Типы железобетонных ферм
        • ЖБИ для нефтегазового строительства
          • ЖБИ для нефтегазового строительства
          • Сваи железобетонные
            • Сваи железобетонные
            • ГОСТы и Серии
            • Типы
          • Столбики сигнальные
          • Утяжелители
            • Утяжелители
            • Типы утяжелителей
        • ЖБИ для промышленного строительства
          • ЖБИ для промышленного строительства
          • Бомбоубежища
            • Бомбоубежища
            • ГОСТы бомбоубежищ
            • Типы бомбоубежищ
          • Диафрагмы жесткости
            • Диафрагмы жесткости
            • Серии диафрагм жесткости
            • Типы диафрагм
          • Прогоны железобетонные
            • Прогоны железобетонные
            • Серии ЖБ прогонов
            • Типы ЖБ прогонов
          • Ригели железобетонные
            • Ригели железобетонные
            • ГОСТы и Серии для ЖБ ригелей
            • Типы железобетонных ригелей
          • Столбы шпалерные (садовые)
          • Фундаментные блоки
            • Фундаментные блоки
            • ГОСТы и Серии фундаментных блоков
            • Типы фундаментных блоков
        • ЖБИ для энергетического строительства
          • ЖБИ для энергетического строительства
          • Анкерные плиты
          • Опоры лэп
            • Опоры лэп
            • Серии опор ЛЭП
            • Типы опор ЛЭП
          • Подстанции
            • Подстанции
            • Серии подстанций
            • Элементы подстанций
          • Приставки железобетонные
            • Приставки железобетонные
            • ГОСТы и Серии ЖБ приставок
          • Ригели опор
          • Фундаменты опор
            • Фундаменты опор
            • Серии фундаментов опор
        • Нетиповые ЖБИ
          • Нетиповые ЖБИ
          • Волнорезы
            • Волнорезы
            • Типы волнорезов
          • Плиты тротуарные
            • Плиты тротуарные
            • ГОСТы и Серии
      • Доставка
      • Оплата
      • Компания
        • Компания
        • О компании
        • История
        • ГОСТы
        • Сертификаты
        • Заказчики
        • Сотрудники
        • Вакансии
        • Реквизиты
        • Доставка В ЛНР и ДНР
        • Цены на ЖБИ
      • Объекты
      • Контакты
      Подать заявку
      • 0 Корзина
      • Калькулятор расчета количества машин для транспортировки изделия
      • +7 (812) 309-22-09
        • Телефоны
        • +7 (812) 309-22-09
        • Заказать звонок
      • Лиговский пр., д. 50, кор. 11.
      • info@block-gbi.ru
      • Будни - с 9 до 18 Сб, ВС - выходные
      Главная
      —
      Продукция
      —
      ЖБИ для энергетического строительства
      —
      Опоры лэп
      —
      Типы опор ЛЭП
      —
      Опоры
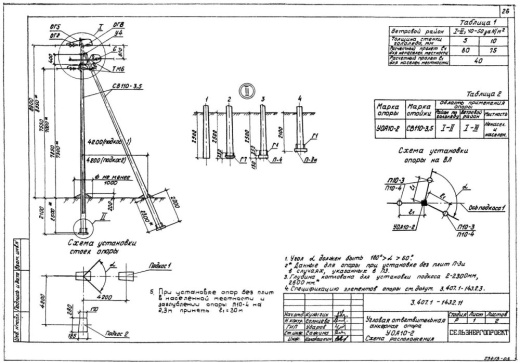
      —Угловая ответвительная анкерная опора УОА10-2

      Угловая ответвительная анкерная опора УОА10-2

      Угловая ответвительная анкерная опора УОА10-2
      31824 ₽
      Цена с НДС
      В наличие: много
      Добавить в заказ
      Купить в 1 клик
      Точное соотвествие ГОСТ.
      Угловая ответвительная анкерная опора УОА10-2
      Угловая ответвительная анкерная опора УОА10-2
      Угловая ответвительная анкерная опора УОА10-2
      Угловая ответвительная анкерная опора УОА10-2
      Характеристики
      ГОСТ/Серия
      —
      Серия 3.407.1-143 вып.2
      Длина, мм
      —
      11000
      Ширина, мм
      —
      280
      Высота, мм
      —
      185
      Масса, тонн
      —
      3.705
      Объем бетона, куб.м
      —
      1.5
      Все характеристики
      Цена указана на самовывоз. Итоговую стоимость с доставкой, уточняйте у менеджера
      Угловая ответвительная анкерная опора УОА10-2
      31824 ₽
      Цена с НДС
      В наличие: много
      Добавить в заказ
      Купить в 1 клик
      Точное соотвествие ГОСТ.
      • Описание
      • Характеристики
      • Документы
      • Как купить
      • Оплата
      • Доставка

      Опоры ЛЭП являются важнейшими элементами электроэнергетики, угловые ответвительные анкерные опоры УОА10-2 для ВЛ 10кВ на базе стоек длиной 11м предназначены для устройства и бесперебойной работы воздушных линий электропередач. Это конструкции, с помощью которых осуществляется удержание проводов воздушных линий электропередач на заданном расстоянии от земли и друг от друга. Помимо основной, несущей, функции железобетонные опоры обеспечивают освещение пространства на улицах, площадках, магистралях в темное время суток.

      Опоры ЛЭП, произведенные из железобетона, имеют весомые преимущества по сравнению с другими строительными материалами (существуют также деревянные и металлические опоры). Железобетон не подвержен разрушению под агрессивным воздействием окружающей среды и не наносит вреда экологии, железобетонные изделия подходят для установки даже вблизи чистых источников грунтовых вод. Высокая прочность и сопротивляемость окружающей среде (климатические условия, осадки и находящиеся в воздухе химические вещества) позволяют подвергать угловые ответвительные анкерные опоры УОА10-2 для ВЛ 10кВ на базе стоек длиной 11м длительной эксплуатации (50-70 лет), при этом коснтрукции опор не требуют постоянного техосмотра. Конструкция и материалы опор позволяют эксплуатировать их в среде с агрессивной степенью воздействия в климатических зонах, где температура окружающей среды опускается до -55°С, сейсмичность достигает 9 баллов, а ветровая и гололедная нагрузка соответствует VII и V району по СНиП2.01.07-85.

      В настоящее время энергетическое строительство активно использует жби опоры ЛЭП по всей России, так как они наиболее устойчивы к экстремально низким атмосферным температурам и агрессивным воздействиям окружающей среды. В отличие от деревянной опоры освещения изделия из железобетона не гниют во влажном климате и могут устанавливаться как в городе, так и вдоль автомобильных трасс, железнодорожных путей, в горных или заболоченных местностях и лесных массивах. По сравнению с металлическими изделиями угловые ответвительные анкерные опоры УОА10-2 для ВЛ 10кВ на базе стоек длиной 11м не требуют регулярного технического осмотра, их не нужно периодически окрашивать или оцинковывать для предотвращения коррозии или окисления – бетон предварительно, во время формовки, обрабатывается антикоррозийными и водоотталкивающими присадками.

      При производстве опор ЛЭП мы используем новейшие технологии производства для обеспечения высокого качества изделий из железобетона и сохранения эксплуатационных качеств изделий на долгие годы. Наши изделия угловые ответвительные анкерные опоры УОА10-2 для ВЛ 10кВ на базе стоек длиной 11м соответствуют всем нормам и требованиям ГОСТ.

      Конструктивно опоры ЛЭП представляют собой вытянутую прямолинейную фигуру – стойку. В теле конструкции предусмотрены закладные детали для устройства зажимов, траверс и креплений для закрепления проводов. Нижняя часть опоры, при необходимости, также имеет закладные детали для крепления к фундаменту и другим конструкциям, служащим для увеличения устойчивости и несущей способности опор (плиты, ригели).

      Установка изделий угловые ответвительные анкерные опоры УОА10-2 для ВЛ 10кВ на базе стоек длиной 11м начинается с выкладки деталей опоры вдоль трассы, для ее дальнейшей сборки. Собранную на земле, конструкцию опоры ЛЭП с помощью крана поднимают в проектное положение и устанавливают в цилиндрический котлован с заполнением пустот песчано-гравийной смесью. В грунтах с малой несущей способностью прочность крепления достигается путем фиксирования стоек опор ригелями и установкой их на специальные опорные плиты. Для крепления в земле оттяжек на проектном расстоянии от опоры устанавливаются анкерные плиты, или другие фундаментные конструкции в соответствии с проектом.

      Энергетическое строительство предполагает, что изделия угловые ответвительные анкерные опоры УОА10-2 для ВЛ 10кВ на базе стоек длиной 11м изготавливаются только из высокопрочного тяжелого бетона классом по прочности на сжатие от В30. В качестве сырья для данного жби используется портландцемент, который обладает повышенной прочностью, морозостойкостью, коррозийной устойчивостью и низкой водопроницаемостью. Гранитный щебень, который вводится в состав бетона, придает изделиям дополнительную устойчивость и стойкость к низким температурам и повышенной влажности. Каркас из высокопрочной стали компенсирует ломкость бетона и повышает эластичность конструкции. Чтобы опоры были устойчивы к внешним воздействиям, их уплотняют методом вибрирования, благодаря чему удаляются воздушные полости, и бетонная смесь равномерно распространяется по всему поперечному сечению.

      Бетон стоек опор ЛЭП армируется предварительно напряженной арматурой для придания большей прочности изделиям. Армирование в виде объемных каркасов осуществляется из стержневой стали классов A-III, Aт-I, Ат-V и Aт-VI. Все детали изделий
      угловые ответвительные анкерные опоры УОА10-2 для ВЛ 10кВ на базе стоек длиной 11м армирования и закладные детали предварительно проходят антикоррозийную обработку и покрываются полимерными покрытиями.

      Как и любые несущие конструкции, угловые ответвительные анкерные опоры УОА10-2 для ВЛ 10кВ на базе стоек длиной 11м подвергаются строгой проверке по качеству изделий. Опоры ЛЭП не должны иметь трещин, кроме усадочных, ширина которых должна быть не более 0,2 мм. Раковины должны быть не шире 20 мм по ширине, сколы – не более 20 мм по глубине. Предельные отклонения геометрических параметров железобетонных опор должны быть не более ±60-80 мм по длине, сечение – ±6 мм. Отклонения от плоскости стойки должны быть не более 15 мм в любую сторону. Обнажение арматуры категорически не допускается. Толщина защитного слоя бетона до арматуры не должна быть меньше проектной на 3 мм.

      Изделия угловые ответвительные анкерные опоры УОА10-2 для ВЛ 10кВ на базе стоек длиной 11м хранят в горизонтальном положении с единой ориентацией торцов. Между рядами стоек, около подъемных петель должны быть предусмотрены прокладки. При хранении опор ЛЭП в штабелях высота штабеля не должна превышать 2,5 м. Транспортировку жби стоек опор разрешается производить грузовым и железнодорожным транспортом при условии обеспечения надежного закрепления, предохраняющего изделия от повреждений и падений.

      В компании ГК “БЛОК” можно заказать угловые ответвительные анкерные опоры УОА10-2 для ВЛ 10кВ на базе стоек длиной 11м для энергетического строительства, а так же проконсультироваться с нашими специалистами, подобрать требуемые конструкции железобетонных изделий. В нашем отделе продаж можно узнать заранее и уточнить цену опор высоковольтных линий и рассчитать общую стоимость заказа. Купить опоры ВЛ и проконсультироваться по общим вопросам покупки и доставки Вы можете позвонив по телефонам компании ГК БЛОК: Санкт-Петербург: (812) 309-22-09, Москва: (495) 646-38-32, Краснодар: (861) 279-36-00. Режим работы компании: Пн-Пт с 9-00 до 18-00. Компания ГК БЛОК осуществляет доставку опор ЛЭП по всей России прямо до объекта заказчика или на строительную площадку, если позволяет инфраструктура.

      Характеристики
      ГОСТ/Серия
      Серия 3.407.1-143 вып.2
      Длина, мм
      11000
      Ширина, мм
      280
      Высота, мм
      185
      Масса, тонн
      3.705
      Объем бетона, куб.м
      1.5
      Класс бетона
      В30
      Геометрический объем, м.куб
      1.7094
      Сталь, кг
      191.1
      Закладная 1
      Стойка СВ110-3,5
      Закладная 2
      Плита П-3и
      Закладная 3
      3
      Закладная 4
      3
      Документы
      seriya-3.407.1-143-vyp.2
      9,7 Мб

      Как купить

      Процесс покупки железобетонных изделий у нас прост и удобен. Следуйте этим шагам:

      1. Выбор продукции: Ознакомьтесь с нашим ассортиментом и выберите необходимые железобетонные изделия.
      2. Консультация: Свяжитесь с нашим менеджером для получения консультации по выбору продукции и уточнения всех деталей. Вы можете позвонить нам или написать на электронную почту.
      3. Оформление заказа: После согласования всех деталей оформите заказ. Менеджер поможет вам заполнить все необходимые документы.
      4. Согласование доставки: После оформления заказа наш менеджер свяжется с вами для согласования условий и сроков доставки.
      5. Оплата: Выберите удобный способ оплаты. Мы предлагаем несколько вариантов, включая безналичный расчет.
      6. Получение товара: После выполнения всех условий заказа, вы получите железобетонные изделия в назначенное время и по согласованному адресу. При получении подпишите акт приема-передачи.

      Если у вас возникли вопросы на любом этапе покупки, не стесняйтесь обращаться к нашим менеджерам!

      Оплата

      Мы принимаем только безналичные платежи и работаем исключительно с юридическими лицами. Пожалуйста, ознакомьтесь с условиями оплаты ниже:

      1. Способ оплаты: Все расчеты производятся безналичным путем. Мы не принимаем наличные.
      2. Счет на оплату: После оформления заказа вам будет выставлен счет, который необходимо оплатить в срок, указанный в документе.
      3. Реквизиты: Все необходимые банковские реквизиты будут предоставлены в счете. Убедитесь, что все данные указаны правильно для успешного перевода.
      4. Подтверждение оплаты: После осуществления платежа отправьте нам подтверждение, чтобы мы могли оперативно обработать ваш заказ.
      5. Получение документов: После полной оплаты вы получите все необходимые документы, включая акт выполненных работ, товарные накладные и сертификаты на продукцию.

      Мы работаем с НДС и предоставляем все необходимые сертификаты и документы. Все гарантии будут прописаны в договоре, что обеспечивает прозрачность и надежность сотрудничества.

      Если у вас есть вопросы по поводу процесса оплаты, не стесняйтесь обращаться к нашим менеджерам за помощью!

      Наша оперативность — ваше удобство. Мы гарантируем своевременную доставку железобетонных изделий, что является ключевым фактором для успешной реализации ваших строительных проектов. Доставка осуществляется прямо к вашему объекту с учетом всех стандартов качества.

      Основные условия доставки:
      • Выбор тарифа: Вы можете выбрать способ расчета стоимости доставки — почасовой или по зонам.
      • Согласование: Менеджер свяжется с вами для уточнения деталей после оформления заказа.
      • Время на погрузку: Комплектация товара занимает от 1 до 3 дней в зависимости от объема.
      • Акт приема-передачи: Продукция передается по акту приема-передачи.

      Тарифы на доставку:
      Цены варьируются в зависимости от расстояния и региона. Все тарифы включают НДС. При неблагоприятных погодных условиях возможны небольшие изменения в стоимости.

      География доставки:
      Мы работаем по всей территории РФ и имеем 12 офисов и производств, чтобы обеспечить удобные условия для доставки.

      Для точного расчета стоимости доставки обращайтесь к нашим менеджерам!

      Назад к списку
      Каталог
      Доставка
      Компания
      Контакты
      Подписаться на рассылку
      +7 (812) 309-22-09
      +7 (812) 309-22-09
      Заказать звонок
      E-mail
      info@block-gbi.ru
      Адрес
      Лиговский пр., д. 50, кор. 11.
      Режим работы
      Будни - с 9 до 18 Сб, ВС - выходные
      Заказать звонок
      info@block-gbi.ru
      Лиговский пр., д. 50, кор. 11.
      © 2025 Производство и поставки железобетонных изделий. ООО «СК «Блок» ИНН 7842359185 / КПП 772601001

      Обращаем ваше внимание на то, что данный интернет-сайт, а также вся информация о товарах и ценах, предоставленная на нём, носит исключительно информационный характер и ни при каких условиях не является публичной офертой, определяемой положениями Статьи 437 Гражданского кодекса Российской Федерации. Для получения подробной информации о наличии и стоимости указанных товаров и (или) услуг, пожалуйста, обращайтесь к менеджеру сайта с помощью специальной формы связи или по телефону

      Политика конфиденциальности
      Карта сайта
      0

      Корзина

      Очистить корзину

      Ваша корзина пуста

      Исправить это просто: выберите в каталоге интересующий товар и нажмите кнопку «В корзину»
      В каталог
      Главная 0 Корзина Каталог Калькулятор Поиск Регион Кабинет Контакты