Описание блока бетонного Б 2-20-25
Блок бетонный (Б 2-20-25) Серия 3.503.1-66 применяется для устройства фундаментов, стен подвалов, цокольных этажей и других конструкций зданий и сооружений различного назначения: жилых, общественных, промышленных. Изделие изготавливается из высокопрочного бетона, что обеспечивает его прочность, устойчивость к нагрузкам и долговечность.
Применение блока Б 2-20-25
Блок Б 2-20-25 используется как элемент для строительства фундаментов, стен подвалов, цокольных этажей и других конструкций. Он служит важной частью системы, обеспечивающей равномерное распределение нагрузки, защиту от деформаций и долговечность. Для монтажа могут применяться дополнительные элементы: раствор, закладные детали и другие комплектующие.
Типы бетонных блоков
Бетонные блоки подразделяются на несколько типов в зависимости от размеров и назначения:
- Б: блок стандартный;
- БФ: блок фундаментный;
- БП: блок перегородочный;
- БУ: универсальный блок.
Размеры зависят от типа: длина 500–1200 мм, ширина 250–600 мм, высота 200–600 мм.
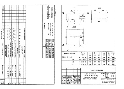
Основные параметры, размеры и характеристики
- Длина, мм: 500
- Ширина, мм: 250
- Высота, мм: 200
- Масса, тонн: 0,06
- Объем бетона, м³: 0,023
Дополнительные характеристики
- Класс бетона: B15 (марка М200)
- Марка по морозостойкости: F150–F200
- Марка по водонепроницаемости: W4–W6
- Технология изготовления: вибропрессование или формование с использованием высокопрочного бетона.
Нормы загрузки
- Норма загрузки в автотранспорт 20 т, шт: 333
Документы
- Нормативный документ: Серия 3.503.1-66
Расшифровка маркировки Б 2-20-25
Маркировка "Б 2-20-25" содержит следующую информацию:
- Б – блок бетонный;
- 2 – номер серии блока;
- 20 – высота блока в сантиметрах (200 мм);
- 25 – ширина блока в сантиметрах (250 мм).
Условия транспортировки и хранения
Блоки Б 2-20-25 перевозятся автомобильным или железнодорожным транспортом с использованием специальных захватных устройств (строп). Хранение осуществляется на ровных площадках с твердым покрытием. Блоки устанавливаются горизонтально в штабель высотой не более 2,5 м. Для предотвращения повреждений между изделиями устанавливаются деревянные прокладки.
Контроль качества блока Б 2-20-25
Каждый блок Б 2-20-25 проходит многоступенчатый контроль качества в соответствии с Серия 3.503.1-66. Проверяются:
- прочность бетона (не ниже класса B15);
- соответствие геометрических размеров проектным данным;
- морозостойкость и водонепроницаемость бетона;
- отсутствие трещин, сколов и других дефектов.
Заключение
Блок бетонный Б 2-20-25 – надежный и долговечный элемент для устройства фундаментов, стен подвалов, цокольных этажей и других конструкций. Благодаря строгому соблюдению требований Серия 3.503.1-66 и использованию качественных материалов, он обеспечивает прочность, устойчивость и долговечность конструкций. Для заказа качественных бетонных блоков обращайтесь к производителям с сертификатами соответствия и опытом работы в сфере ЖБИ.
Смотрите также:
| Варианты написания товара |
|---|
| Блок бетонный Б 2-20-25 |
| Б 2-20-25 блок бетонный |
| Блок бетонный Б2-20-25 |
| Б2-20-25 блок бетонный |
| Б 2-20-25 |
| Б2-20-25 |
| Блок бетонный Б 2-20-25 Серия 3.503.1-66 |
| Б 2-20-25 Серия 3.503.1-66 |
| Б2-20-25 Серия 3.503.1-66 |
Как купить
Процесс покупки железобетонных изделий у нас прост и удобен. Следуйте этим шагам:
- Выбор продукции: Ознакомьтесь с нашим ассортиментом и выберите необходимые железобетонные изделия.
- Консультация: Свяжитесь с нашим менеджером для получения консультации по выбору продукции и уточнения всех деталей. Вы можете позвонить нам или написать на электронную почту.
- Оформление заказа: После согласования всех деталей оформите заказ. Менеджер поможет вам заполнить все необходимые документы.
- Согласование доставки: После оформления заказа наш менеджер свяжется с вами для согласования условий и сроков доставки.
- Оплата: Выберите удобный способ оплаты. Мы предлагаем несколько вариантов, включая безналичный расчет.
- Получение товара: После выполнения всех условий заказа, вы получите железобетонные изделия в назначенное время и по согласованному адресу. При получении подпишите акт приема-передачи.
Если у вас возникли вопросы на любом этапе покупки, не стесняйтесь обращаться к нашим менеджерам!
Оплата
Мы принимаем только безналичные платежи и работаем исключительно с юридическими лицами. Пожалуйста, ознакомьтесь с условиями оплаты ниже:
- Способ оплаты: Все расчеты производятся безналичным путем. Мы не принимаем наличные.
- Счет на оплату: После оформления заказа вам будет выставлен счет, который необходимо оплатить в срок, указанный в документе.
- Реквизиты: Все необходимые банковские реквизиты будут предоставлены в счете. Убедитесь, что все данные указаны правильно для успешного перевода.
- Подтверждение оплаты: После осуществления платежа отправьте нам подтверждение, чтобы мы могли оперативно обработать ваш заказ.
- Получение документов: После полной оплаты вы получите все необходимые документы, включая акт выполненных работ, товарные накладные и сертификаты на продукцию.
Мы работаем с НДС и предоставляем все необходимые сертификаты и документы. Все гарантии будут прописаны в договоре, что обеспечивает прозрачность и надежность сотрудничества.
Если у вас есть вопросы по поводу процесса оплаты, не стесняйтесь обращаться к нашим менеджерам за помощью!
Наша оперативность — ваше удобство. Мы гарантируем своевременную доставку железобетонных изделий, что является ключевым фактором для успешной реализации ваших строительных проектов. Доставка осуществляется прямо к вашему объекту с учетом всех стандартов качества.
Основные условия доставки:
• Выбор тарифа: Вы можете выбрать способ расчета стоимости доставки — почасовой или по зонам.
• Согласование: Менеджер свяжется с вами для уточнения деталей после оформления заказа.
• Время на погрузку: Комплектация товара занимает от 1 до 3 дней в зависимости от объема.
• Акт приема-передачи: Продукция передается по акту приема-передачи.
Тарифы на доставку:
Цены варьируются в зависимости от расстояния и региона. Все тарифы включают НДС. При неблагоприятных погодных условиях возможны небольшие изменения в стоимости.
География доставки:
Мы работаем по всей территории РФ и имеем 12 офисов и производств, чтобы обеспечить удобные условия для доставки.
Для точного расчета стоимости доставки обращайтесь к нашим менеджерам!

